Transformador de corriente CT
Tipo de herida 5p10 5p20 Ct 100 150 400 5a
  • Tipo de herida 5p10 5p20 Ct 100 150 400 5aTipo de herida 5p10 5p20 Ct 100 150 400 5a

Tipo de herida 5p10 5p20 Ct 100 150 400 5a

Para suministrar transformadores de potencial y transformadores de corriente de alta calidad, Wenzhou XiFa Electric Power Equipment Co., Ltd brinda servicio personalizado a los clientes, como producción y suministro tipo bobinado 5p10 5p20 ct 100 150 400 5a. En WenZhou XiFa electric, el equipo de producción mantiene un inventario de transformadores de corriente de tipo regular, como un transformador de corriente 100/5a 10p10 0,5, para garantizar una entrega rápida. Sin embargo, la empresa admite servicios personalizados para satisfacer diversas demandas de electricidad, como el suministro de transformadores de corriente cuya clase de protección es 5p10 o 5p20.

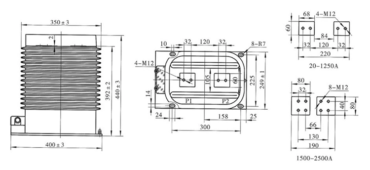
El transformador de corriente tipo bobinado está diseñado para medición y protección de corriente confiable en sistemas de energía de media tensión como 10kv, 20kv y 35kv. Disponible en relaciones de corriente de 100/5A, 150/5A y 400/5A, y con clases de precisión de protección de 5P10 y 5P20, este tipo bobinado 5p10 5p20 ct 100 150 400 5a proporciona una salida de corriente secundaria precisa adecuada para aplicaciones de medición, medición y relé de protección.

Fabricado con núcleos magnéticos sólidos y bobinas secundarias, el transformador de corriente de tipo bobinado garantiza un rendimiento estable en condiciones de cortocircuito y ofrece una transformación de corriente precisa incluso durante eventos transitorios. Su robusto sistema de aislamiento, que a menudo incorpora resina epoxi o de alta calidad, garantiza seguridad, larga vida útil y resistencia a la humedad y al estrés ambiental.

El diseño tipo bobinado permite una instalación flexible en aparamenta, paneles de control y tableros de distribución, para proporcionar soporte confiable para esquemas de protección de relés. El transformador de corriente tipo bobinado es ideal para plantas industriales, instalaciones comerciales y redes de distribución de servicios públicos donde la medición de corriente precisa y confiable es esencial tanto para el monitoreo operativo como para el control de protección.

Wound Type 5p10 5p20 Ct 100 150 400 5a

Especificación técnica:

Tipo Corriente nominal primaria (A) Clase de precisión Clase de precisión y salida nominal cosΦ=0,8 Corriente térmica de corto tiempo (kA/S) Corriente dinámica nominal (kA)
0,2 (s) 0,5 (s) 10P10
LZZBJ9-35 20-100 0,2/0,2 0,2/0,5 0,2/5P20 0,5/5P20 0,2/0,5/5P 0,2/5P/5P 10 10 15 150I1n 375I1n
150-200 31.5 80
300-500 31,5/2 80
600-1250 15 30 20 31,5/4 80
1500-2000 20 40 30 40/4 125
2500 20 40 20 40/4 125


Tipo Corriente nominal primaria (A) Clase de precisión Capacidad (VA) Corriente térmica de corto tiempo (kA/S) Corriente dinámica nominal (kA)
LZZBJ9-35 10 0,2/10P10 0,5/10P10 0,2/5P20 0,5/5P20 0,2/0,5/10P10 0,2/0,5/5P20 0,2/10P10/5P20 0,5/10P10/5P20 15/20 20/20 15/20 20/20 15/20/20 15/20/20 15/20/20 20/20/20 1.5/1 3.75
20 2/1 5
30 3/1 7.5
40 4/1 10
50 5/1 12.5
75 7.5/1 18.75
100 10/1 25
150 15/1 37.5
200 20/1 50
300 31,5/1 80
400 31,5/2 80
500 31,5/2 80
600 31,5/2 80
800 31,5/3 80
1000 31,5/3 80
1200 31,5/3 80
1500 31,5/3 80
2000 31,5/3 80

Wound Type 5p10 5p20 Ct 100 150 400 5a

Preguntas frecuentes sobre el producto:

P: ¿Qué significa “tipo de herida 5P10” o “5P20” en un tipo de herida 5p10 5p20 ct 100 150 400 5a?

R: El término "tipo devanado" se refiere a CT donde el conductor primario es un devanado devanado en lugar de una barra colectora o una barra a través del núcleo. La clase 5P10 o 5P20 indica precisión de protección: 5P significa hasta un 5% de error en la corriente secundaria nominal, y el número 10 o 20 es el múltiplo de corto tiempo máximo permitido de la corriente primaria nominal sin exceder el error especificado.

P: ¿Cómo elijo la clasificación CT correcta para mi sistema?

R: Seleccione un CT según la corriente de carga máxima y los requisitos de protección de su sistema. Por ejemplo, un CT de 100/5 A es adecuado para circuitos con corrientes típicas de alrededor de 100 A, mientras que un CT de 400/5 A está diseñado para alimentadores de corriente más alta. Elija una clase de protección (5P10 o 5P20) según la sensibilidad de detección de fallas del relé y la corriente de cortocircuito esperada.

P: ¿Qué condiciones ambientales se pueden manejar con una herida tipo 5p10 5p20 ct 100 150 400 5a?

R: Estos transformadores de corriente de tipo bobinado suelen estar clasificados para temperaturas ambiente de –10 °C a +40 °C, con una altitud máxima de 1000 m. Los materiales de la carcasa y los sistemas de aislamiento están diseñados para un funcionamiento resistente a la humedad, el polvo y la contaminación, para garantizar un rendimiento de protección confiable en entornos industriales y de servicios públicos.




Etiquetas calientes: Tipo de herida 5p10 5p20 Ct 100 150 400 5a, Proveedor de transformadores de corriente, Transformadores de medición al por mayor
Enviar Consulta
Datos de contacto
  • DIRECCIÓN

    No. 391, Jingqi Road, Zona Industrial de Yanpan, Ciudad de Yueqing, Provincia de Zhejiang, China

  • Correo electrónico

    info@xifaele.com

Para obtener su cotización lo antes posible

XiFa: su proveedor confiable de equipos eléctricos
X
Utilizamos cookies para ofrecerle una mejor experiencia de navegación, analizar el tráfico del sitio y personalizar el contenido. Al utilizar este sitio, acepta nuestro uso de cookies. política de privacidad
Rechazar Aceptar