Transformador potencial PT
Transformador de potencial monofásico de 13,8 Kv en subestación
  • Transformador de potencial monofásico de 13,8 Kv en subestaciónTransformador de potencial monofásico de 13,8 Kv en subestación

Transformador de potencial monofásico de 13,8 Kv en subestación

Para producir un transformador de potencial monofásico confiable de 13,8 kv en una subestación, Wenzhou XiFa Electric Power Equipment Co., Ltd adopta acero eléctrico CRGO de primera calidad como material principal del núcleo para reducir el valor de pérdida y mejorar la clase de precisión, y alambre de cobre esmaltado de alta resistencia como material principal de la bobina para garantizar la relación de espiras y el aislamiento entre espiras mediante un bobinado de precisión. Cada vez más, cada transformador de potencial monofásico de 13,8 kv en la subestación adopta el proceso de producción de fundición al vacío de resina epoxi para crear una estructura solidificada general que no es fácil de absorber la humedad, la cual es adecuada para ambientes cálidos, húmedos y polvorientos.

Características del producto:

Un transformador de potencial monofásico de 13,8 kv en una subestación está diseñado para reducir el voltaje primario de 13,8 kv a un voltaje secundario estándar, como 100 o 110 voltios. Luego, el voltaje reducido se suministra a los devanados paralelos para medir instrumentos y relés de protección, lo que permite realizar mediciones de voltaje primario indirectamente con instrumentos de bajo voltaje. Este enfoque simplifica el diseño de instrumentos, ahorra costos y garantiza la seguridad tanto del equipo como del personal operativo.


El principio de funcionamiento de un transformador de potencial monofásico de 13,8 kv es el mismo que el de un transformador de distribución de energía, cuyo índice de transformación está determinado por el número de vueltas en las bobinas primaria y secundaria. Aumentar el número de vueltas secundarias reduce la relación, mientras que aumentar el número de vueltas primarias la aumenta. Es importante señalar que bajo ninguna circunstancia se debe cortocircuitar el circuito secundario de un transformador de potencial monofásico de 13,8 kv durante su funcionamiento.

13 8 Kv Single Phase Potential Transformer In Substation

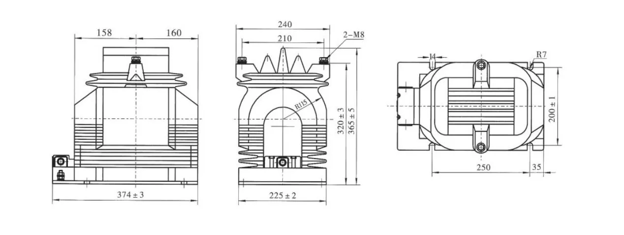
Especificación técnica:

Tipo Relación de tensión nominal (kV) Clase de precisión Clase de precisión y salida nominal cosΦ=0,8 El máximo. Salida (VA)
0.2 0.5 1 6(P)
JDZ11-15 (15/√3)/(0,1/√3)/(0,1/3) 0,2/6P 0,5/6P 1/6P 30 80 150 100 400
JDZ11-20 (20/√3)/(0,1/√3)/(0,1/3)
JDZ11-15 (15/√3)/(0,1/√3)/(0,1/√3)/(0,1/3) 0,2/0,2/6P 0,2/0,5/6P 15 20 N / A 100 2*200
JDZX11-20 (20/√3)/(0,1/√3)/(0,1/√3)/(0,1/3)

13 8 Kv Single Phase Potential Transformer In Substation

Preguntas frecuentes sobre el producto:

P: ¿En qué se diferencia un transformador de potencial monofásico de 13,8 kv de un transformador de potencia de 13,8 kv?

R: Si bien ambos son dispositivos de conversión de voltaje, un transformador de potencial monofásico de 13,8 kv está diseñado para medición y protección en lugar de transferencia de energía. Su carga nominal es relativamente pequeña, generalmente expresada en VA, mientras que los transformadores de potencia manejan cargas de un valor mayor que cuenta en kVA o MVA.


P: ¿Qué métodos de aislamiento se utilizan en un transformador de potencial monofásico de 13,8 kv?

R: La mayoríatransformadores potencialesa este nivel de voltaje, utilice aislamiento moldeado de resina epóxica para servicio en interiores o carcasas de porcelana/silicona para instalaciones en exteriores. Algunos diseños utilizan aislamiento sumergido en aceite para lograr una vida útil prolongada y una mayor capacidad térmica.


P: ¿Cómo se debe conectar un transformador de potencial monofásico de 13,8 kV en una subestación?

R: Para la medición de fase a tierra, el primario del PT está conectado entre una fase y tierra. En un sistema trifásico, se puede utilizar un conjunto de PT monofásicos o una unidad PT trifásica para medir tensiones de línea a línea y de línea a tierra.


P: ¿Qué problemas pueden surgir con los transformadores de potencial monofásicos de 13,8 kV en las subestaciones?

R: Los problemas comunes incluyen degradación del aislamiento, ferrorresonancia bajo ciertas condiciones de conmutación, sobrecalentamiento debido a sobrecarga y condiciones de circuito secundario abierto que pueden causar voltajes peligrosamente altos.



Etiquetas calientes: Transformador de potencial monofásico de 13,8 Kv en proveedor de subestación, transformador de potencial de subestación al por mayor
Enviar Consulta
Datos de contacto
  • DIRECCIÓN

    No. 391, Jingqi Road, Zona Industrial de Yanpan, Ciudad de Yueqing, Provincia de Zhejiang, China

  • Correo electrónico

    info@xifaele.com

Para obtener su cotización lo antes posible

XiFa: su proveedor confiable de equipos eléctricos
X
Utilizamos cookies para ofrecerle una mejor experiencia de navegación, analizar el tráfico del sitio y personalizar el contenido. Al utilizar este sitio, acepta nuestro uso de cookies. política de privacidad
Rechazar Aceptar